传统的有刷电机控制利用机械换向器和电刷实现电机控制,控制简单,但是易产生火花,且噪声大、寿命短、可靠性差。相较于无刷直流电机控制技术,因其常采用反电动势过零点检测转子位置,易实现换相,但是会导致噪声大,转矩波动大,效率差,低转速反电动势难检测等问题;
目前改用直流无刷电机FOC控制方案代替传统有刷控制方案是常见的解决方式,但随之会出现相应的控制难点问题,如因普通常用的滑膜观测器对电机参数很敏感,在利用该观测器调试驱动电机时,若不经过详细复杂的软硬件匹配调试,很难达到较好的驱动效果。为了解决该控制难点问题,峰岹科技自主研发了AO自适应观测器,利用该观测器不仅可以实现同一个程序启动兼容各种不同类型的电机,而且能实现电机超低速不失步。
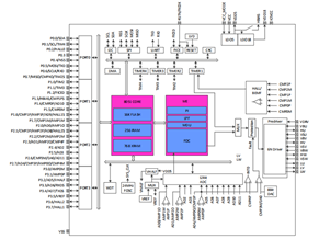
嵌入AO自适应观测器的芯片如:峰岹FU6861Q2,是集成电机控制引擎(ME)和 8051 内核的高性能电机驱动专用芯片,8051内核处理常规事务,ME 处理电机实时事务,双核协同工作实现各种高性能电机控制。其中 8051内核大部分指令周期为 1T 或 2T,芯片内部集成有高速运算放大器、比较器、高速 ADC、乘/除法器、CRC、SPI、I2C、UART、多种 TIMER、PWM 等功能,内置高压 LDO,适用于 BLDC/PMSM 电机的方\波、SVPWM/SPWM、FOC 驱动控制。


图1 FU6861Q封装引脚图 图2 FU6861Q功能框图
运用自适应观测器的吸尘器控制方案有哪些优势?
A、强兼容性和高鲁棒性
家用传统吸尘逐渐被更加便捷的手持式吸尘器取代,锂电池的供电方式,续航成为了大家都非常关注的性能点。吸尘器电池的续航能力如何,高效率电机设计至关重要。为了设计出最佳状态的吸尘器,吸尘器厂商会经常调整电机匝数或者结构,如果采用传统的滑膜FOC方案,由于是基于电机模型去观测角度,那么电机参数的调整就会导致整个启动,运行以及效率都需要重新匹配。
峰岹科技AO自适应观测器具备强大的兼容性,我们实测了8台不同吸尘器电机,其中包含有V45、V55、V65,3种常见不同尺寸的吸尘器电机,使用同一个产品板+一套固定的程序,每台电机都能做到顺畅启动,并且零速的时候,估算器也不会失步。

图3 实测的其中几款吸尘机型
B、效率更高、噪音更低
通过内置自适应观测器对驱动角度自适应矫正,实现最优角度驱动.实测V45机型吸尘器,最高效率能达到56%(如图4),而传统吸尘器效率一般在42%~52%左右,因此自适应观测器使得方案效率更高,对于锂电池供电的手持吸尘器的续航带来了显著的提升。


图4 吸尘器PQ测试
实测1对极、200W、7叶吸尘器的噪声频谱图,FOC噪声谐波分量明显小于方波的驱动方式(如图5、6),优于传统的有刷和方波控制的吸尘器方案。注:图中两个噪声尖峰来源于扇叶带来的7倍频风噪和两倍频的风噪。

图5 FOC驱动方式吸尘器噪声频谱图

图6 方波驱动方式吸尘器噪声频谱图
C、双核驱动实现超高转速
单ME核完成一次FOC运行只有5.6us,对于2对极吸尘器的超高速应用,转速最高会达到150KRPM,电频率超过5KHZ,此时载波频率最少要50KHZ左右。这就对FOC估算速度带来了极大的考验,对于普通单片机的纯软件的FOC,很难应对高速电机需求,而峰岹科技的双核驱动芯片中可实现超高转速,在吸尘器的实际应用方案中,实测电气转速接近300KPM ,并且能稳定运行(如图7)。

图7 2对极吸尘器,电气转速接近290KRPM的波形
D、方案成本低,外围器件少,电路简洁
采用FU6861Q2的吸尘器方案,由于芯片的高集成度,外围元器件减少,节省布板面积,帮助客户实现更小型紧凑的产品结构,方案BOM成本的降低,产品将更具竞争优势。

图8 方案对比图


图9 应用PCB
E、配置丰富的开发工具
另外为了更好的支持客户开发吸尘器产品,峰岹提供了完善的产品开发工具,比如:
SPI调试仿真器:可以实时观测估算器角度,采样电流等信息判断估算和采样是否异常,如图10为采样异常时候,红色部分为SPI显示真实采样的电流波形,蓝色部分为实际的相电流波形,可以看出有明显的信号采样出错。(这里采样电流出错原因是由于最小采样窗口太小导致);如图11,为采样正常时候,SPI和实际相电流波形,可以看出两者完全吻合。
开发测试DEMO板:峰岹也设计了针对吸尘器客户使用,模拟产品板的DEMO,客户可以以最快速的方式驱动自己的电机,能在产品开发之初就能大致了解产品的性能,大大的缩短的开发周期。

图10 采样异常时候的SPI波形(红色为SPI显示采样波形,蓝色为实际相电流波形)

图11 采样信号正常时,SPI反馈的采样电流和实际相电流会完全吻合
在高速吸尘器应用领域,峰岹科技有着丰厚的经验和很高的市场占有率,并且在效率、噪声、鲁棒性、兼容性、温升等问题上都有可持续迭代的优化策略,我们在致力于帮助客户提高品质性能,缩减方案设计开发周期,提升整体竞争优势等方面将不懈努力。