FU6832 系列是一款集成电机控制引擎(ME)和 8051 内核的高性能电机驱动专用芯片,ME 集成FOC、MDU、LPF、PI、SVPWM/SPWM 等诸多硬件模块,可硬件自动完成电机 FOC/BLDC运算控制; 8051 内核用于参数配置和日常事务处理,双核并行工作实现各种高性能电机控制。其中8051 内核大部分指令周期为 1T 或 2T,芯片内部集成有高速运算放大器、比较器、Pre-driver、高速 ADC、高速乘/除法器、CRC、SPI、I2C、UART、LIN、多种 TIMER、PWM 等功能,内置高压LDO,适用于 BLDC/PMSM 电机的方波、SVPWM/SPWM、FOC 驱动控制。
只需简单的外围处理便可实现高效率的FOC电机驱动。FU6832的有感启动无感运行FOC驱动主要应用在各类低压风机上,典型应用如落地扇、空气净化器等。本方案主要介绍FU6832 MCU的有感启动无感运行FOC驱动的主要特性和使用方法,以及示例程序的控制特性和功能。
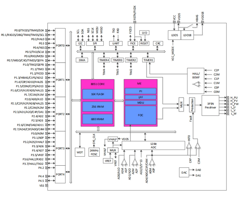
FU6832芯片特性:
双核:8051 内核和 ME;
指令周期大多为 1T 或 2T;
16kB Flash ROM、带 CRC 校验功能、支持程序自烧录和代码保护功能;
256 bytes IRAM,768 bytes XRAM;
ME:比例积分/微分器(PI/PID)、BLDC 模块、FOC模块、MDU支持乘除法/低通滤波器(LPF)/三角函数的计算;
单周期 16*16 位乘法器,16 周期 32 / 16 位除法器;
4 级优先级中断、15 个中断源;
GPIO:
FU6832L:35 个 GPIO;
2 个通用带抓捕功能可编程定时器;
1 个支持 QEP 解码编程定时器;
1 个 BLDC 电机专用定时器;
1 个通用定时器;
1 个 RTC 定时器;
1 个 SPI;
1 个 I2C;
2 个 UART,其中 UART2 支持 LIN Slave 模式和 Pin 功能转移;
2 通道 DMA,支持用于 I2C/SPI/UART 数据传输;
12 位 ADC,1uS 转换时间,可选择内部 VREF、外部 VREF 作参考电压;
ADC 通道数:
FU6832L:14 通道;
内置 VREF 参考,可配置 3V、4V、4.5V、VDD5;
内置 VHALF(1/2 VREF)参考输出;
3 个独立运算放大器,其中 AMP0 可配置为自动增益放大器;
3 路模拟比较器;
DAC: 1 路 9 位,1 路 6 位;
3P3N Predriver 输出;
系统时钟为内置 24MHz±2%精准时钟;
内置 32.8kHz 低速时钟;
Watch-dog;
两线制 FICE 协议提供在线仿真功能;

图1 FU6832L 功能框图
FU6832的有感启动无感运行FOC应用特点:
FOC固化,运行速度快:运行使用无感运行方式,无感FOC的所有运算都是硬件实现,节约了软件运行时间,最高PWM频率可达50KHz,可应用于超高速电机;
控制精度和效率高:FOC采用Q15格式,角度360°扩展到2^15,角度分辨率可达0.01°,可对电机实现高精度控制;优化的位置估算算法可实现控制高效率;
静音效果好:FOC算法可以精确控制驱动电流为光滑正弦波,转矩脉动小,可加入死区补偿,实现超静音工作;
启动特性好:启动使用有感启动方式,在转速达到最高转速的5%~10%且估算角度在一定范围内时切到无感运行模式,保证了启动可靠性和平稳性;启动速度快,启动时间比常规启动方式短50% ;
最低转速更低:电机在转速太低时,其运行电流和反电动势很小,采用无感运行方式控制误差太大,对于有感启动无感运行方案,在要求转速做到更低时(例如要求五对极电机要求跑50RPM。),可切换到有感运行方式;
硬件电路简单:内部集成高速运算放大器、高压 LDO和Pre-Drive,可以直接连接MOS管驱动电机,简化外围电路,降低产品成本,提高系统的可靠性。
有感启动无感运行FOC方案应用:
为方便客户开发,峰岹公司在基于FU6832开发了有感启动无感运行FOC驱动方案示例程序,其具备以下特性:
1. 启动控制
(1) 通过霍尔检测电机初始状态,在满足转速达到最高转速的5%~10%且估算角度在一定范围内条件之前,使用有感FOC控制方式,实现动态启动(包含顺风启动和逆风启动),提高启动可靠性
(2) 为了减小启动噪音,有感启动也采用正弦波驱动方式,在霍尔两个状态之间的角度增量通过上一拍的转速计算得到
(3) 可根据需要调整启动力矩和启动时间
(4) 启动使用电流闭环控制方式,可实现宽电压启动,可设定最大启动电流限流
2. 控制方式
(1) 电流闭环为内环,恒风量控制、恒转矩控制、恒速度控制、恒功率控制等多种控制可选为外环。
(2) 调速接口有:SREF模拟调速,PWM调速,Clock调速、IR红外调速,UART串口调速。
3. 状态显示
通过LED亮灯状态表示系统运行状态和故障信息。
4. 保护控制
内部包含全面的保护,可根据需要选择使能对应的保护,再根据实际情况微调即可。
(1) 过压保护:大于过压电压门限触发过压保护,小于恢复电压门限系统重启
(2) 欠压保护:小于欠压电压门限触发欠压保护,大于恢复电压门限系统重启
(3) 过流保护:大于过流电流门限触发过流保护
(4) FO保护:大电流冲击触发硬件过流保护,系统不重启
(5) 堵转保护:可设定堵转重启时间,以及堵转重启次数
(6) 缺相保护:电机线接触不良时,可实现缺相保保护,重启时间和次数可设定
(7) 过温保护:大于过温设定值触发过温保护,小于温度恢复值系统重启
(8) 过功率保护:过功率保护可以选用过输入功率保护和过输出功率保护,当功率到达设定功率保护阈值时,可采用降速处理或停机处理
(9) 运放偏置电压异常保护:控制板上电后,在电机运行之前,先读取运放的输出是否在正常范围内,如果不是则报错,电机不启动
5. 用户接口
内部包含多种用户接口方式,可根据需要选择使能对应的接口,实现控制需要。
(1) Key接口:定义按键接口,按键扫描给出Key命令,用户可自定义Key命令,如ONOFF、FR控制命令,加减速等。
(2) SREF接口:ADC采样电位器值,给出SREF命令,用户可自定义SREF命令,如
闭环Speed参考值
(3) PWM接口:捕获PWM信号,获取PWM Duty,给出PWM命令,用户可自定义PWM命令,如闭环Speed参考值
(4) Clock接口:捕获PWM信号,获取PWM 的频率,给出PWM命令,用户可自定义PWM命令,如闭环Speed参考值
(5) IR接口:定义红外接口,红外扫描接收红外数据后给出IR命令,用户可自定义IR命令,如ONOFF、FR控制命令,闭环Speed参考值
(6) UART接口:UART扫描接收UART数据并给出UART命令,用户可自定义UART命令,如ONOFF、FR控制命令,闭环Speed参考值
(7) Buzzer接口:定义蜂鸣器接口,蜂鸣器扫描接收控制命令,实现报警或者提示音控制,用户可自定义,如按键提示音控制、档位提示音控制。
6. 调试接口
在默认功能特性情况下,程序给出Customer.h文档作为用户调试接口,用户只需修改相应参数便可实现电机通用功能控制。
评估板FU6832包含:
1、 FU6832 DEMO板
2、 FU68XX 仿真器
3、 有感启动无感运行FOC应用方案调试手册

图2 FU6832板
原理图:

图3 FU6832板原理图