Website is Maintaining, please visit later!
两款芯片通过AEC-Q100认证 ! 峰岹科技车规系列添新成员 -
关于我们
我们是谁 我们在做什么 里程碑
资讯
公司新闻 行业资讯
投资者关系
A股公告 H股公告 公司管治 投资者互动 投资者联系
产品中心
三相ASIC系列 单相ASIC系列 驱动IC系列 功率器件系列 MCU系列 IPM系列
应用支持
汽车电子 智能小家电 智能厨电 个护健康 白色家电 扇类 电动工具 运动及出行 IT及通信设备 智能机器人 工业
相关下载
软件工具 开发套件 数据手册 应用手册 应用套件 视频
研究开发
我们的技术 典型应用 学 习
加入我们
社会招聘 校园招聘 职位搜索
联系我们
联系我们 线上咨询
两款芯片通过AEC-Q100认证 ! 峰岹科技车规系列添新成员

: 2023-05-08

近日峰岹科技FU6865Q1、FU6815Q1两款车规芯片,顺利通过检测获AEC-Q100认证,继FU6832N1通过车规认证之后,峰岹科技又添两款车规级芯片,为公司在汽车电子领域进一步深入起到积极的推进作用。

 车规证短图.jpg

图:FU6815Q1/FU6865Q1 AEC-Q100证书报告

FU6815Q1/FU6865Q1车规芯片是峰岹科技推出的针对汽车电机市场研发设计的高集成度专用IC芯片,适用于直流无刷电机的无感FOC、有感SVPWM、有感/无感方波等不同控制方案;

 汽车芯片图.jpg

芯片温度等级为 Grade 1,芯片工作时TJ(-40 –150 ℃),TA(-40 –125 ℃),内部集成有LIN通信、内置Pre-driver(FU6865Q1)、高压LDO、高速比较器、高速运放、ADC、DAC、CRC、I2C、UART、DMA、TIMER等功能模块、耐高压IO等,集成ME电机控制内核,包含硬件FOC功能模块、方波功能模块、PI、LPF、MDU等。芯片集成度高,可以有效减少外围器件和BOM成本,可以更快完成整体方案设计。

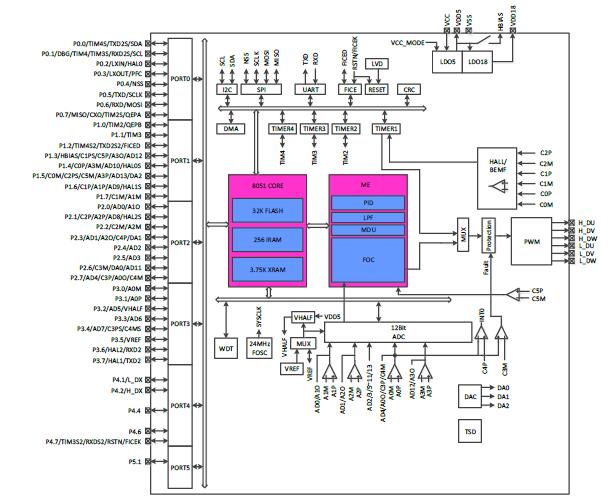
 6865Q1.jpg

图:FU6865Q1功能框图

1669861422257817.jpg

 图:电机控制解决方案框图

峰岹科技汽车专用芯片,广泛应用在汽车车身相关的电机控制领域中,包括热管理系统水泵、电子扇、玻璃升降控制、座椅电机控制、尾门电机等等;

 汽车方案图2.jpg

图:FU6865Q1/FU6815Q1典型方案

典型控制方案如汽车水泵,汽车水泵是汽车热管理系统中的重要部件之一,在燃油车和新能源汽车中是不可缺少的。汽车水泵控制特点体现在:高控制效率、低噪音、低振动,同时有完善的故障保护和故障处理,保证电机的安全运行。峰岹科技汽车水泵解决方案涵盖汽车各功率段水泵,选择无感FOC驱动电机效率更高,选择速度环+功率环控制电机运行稳定性高、噪音小。

峰岹科技持续发力汽车电子领域,芯片研发围绕新能源汽车的热管理系统、座椅通风、电动车窗、电动座椅、车载冰箱、汽车空调等细分应用,产品陆续通过AEC-Q100车规认证,公司积极与整车厂商或Tier 1厂商交流公司的芯片产品和整体应用方案,峰岹科技的车规产品已进入部分整车厂商或Tier 1厂商的可靠性验证后期和小批量试产阶段。

汽车电子领域对产品的可靠性要求极为严苛,AEC-Q100是车规的认证标准,用于验证车载电子部件的可靠性及质量控制标准。汽车电子领域产品项目验证周期较长,峰岹科技车规产品体系加速完善,数款车规芯片正在设计开发和产品验证阶段,将不断向汽车市场推出产品。峰岹科技将根据汽车电子领域对高性能产品和系统级技术支持的需求,持续加大研发投入,以技术优势稳步推进汽车领域的应用。